NanoPi NEO 2 — это маленький одноплатный компьютер ARM от FriendlyElec. Использует 64-битный четырехъядерный SoC от Allwinner H5 (ARM Cortex-A53). Он имеет графический шестиядерный процессор Mail450, 512 МБ DDR3. Для него готовы файлы изображений ОС UbuntuCore и Armbian.
NanoPi NEO2 наследует форм-фактор NEO и имеет совместимые интерфейсы и порты с NEO. Кроме того, в таком небольшом размере он имеет Gbps Ethernet и один USB-порт. Эти функции делают его особенно подходящим для приложений, требующих высокой пропускной способности данных, быстрой передачи данных и высокой производительности.
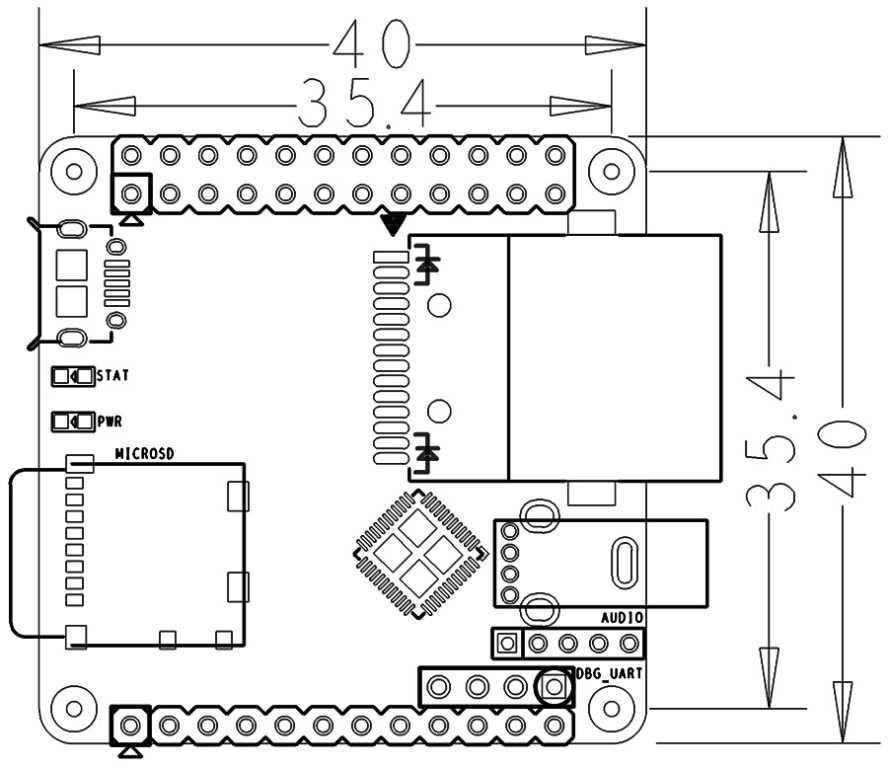
Питание подается через порт MicroUSB DC 5V/2A. Встроенный последовательный порт отладки и 24-контактный GPIO. Купить можно на Aliexpress. Для хранения данных служит сменная карта microSD. Имеются платы расширения с дополнительными разъёмами.
Основные характеристики
| Процессор | Allwinner H5, четырехъядерный 64-битный высокопроизводительный Cortex A53 |
| GPU | Mali-450 поддерживает OpenGL ES 2.0/1.1/1.0, OpenVG 1.1, EGL |
| Оперативная память | 512МВ DDR3 |
| Поддерживаемые карты памяти | 10 class TF Card (Max64GB) |
| Ethernet | 10/100/1000M Ethernet, чип RTL8211E-VB-CG |
| Wi-Fi + BT | 802.11b/g/n, Bluetooth 4.0 dual mode |
| USB 2.0 Ports | USB-тип A x 1 и через 2,54 мм pin x 2 |
| GPIO | GPIO1: 2,54 мм шаг 24-штырькового разъема, совместимый с выводом GPIO от Raspberry Pi1. Он включает в себя UART, SPI, I2C, IO и т.д. GPIO2: 2,54 мм шаг 12-штырьковый разъем. Он включает в себя USB, ИК-приемник, I2S, IO и т.д. Аудио вход/выход: шаг 2,0 мм 5-контактный разъем |
| Источник питания | USB OTG поддерживает питание |
| Отладочный последовательный порт | 4Pin, 2.54 mm |
| Поддерживаемые ОС | Ubuntu, Debian и Android |
| Размер | 40 мм на 40 мм |
| Вес | 13 г (без гребенки) |
Операционные системы
| Название | Версия | Логин/пароль | Ссылка | Примечание | |
|---|---|---|---|---|---|
| Armbian | root/1234 | armbian.com | Инструкция по установке | ||
![]() | DietPi | root/dietpi | dietpi.com | Инструкция по установке | |
| Debian NAS jessie 4.14 | 4.14 | root/fa | GoogleDrive Baidu | Инструкция по установке с помощью Etcher Инструкция по установке с помощью Win32 Disk Imager | |
| Ubuntu Core 4.14 Xenial | 4.14 | root/fa | GoogleDrive Baidu | ||
| Ubuntu 4.14 Xenial | 4.14 | root/fa | GoogleDrive Baidu | ||
| Ubuntu oled 4.14 Xenial | 4.14 | root/fa | GoogleDrive Baidu | ||
Платы расширения
NAS Dock
- Чип JMS567
- 2.5 SATA
- 1 USB Host
- Питание 12В, конвертер питания TPS54331
- Встроенный RTC чип с питанием от батарейки CR2032
- Готовая ОС с OpenMediaVault
- Купить на Aliexpress
GPIO
32 бит ЦАП с низким уровнем шума
Плата расширения ЦАП на Aliexpress
- Ультра-низкий шум
- 6-бит, 24-бит и 32-бит
- Выбор формата аудио: I2S(Low)/Left-justified
- Частота дискретизации: 384 кГц, разрешение: 32-бит
- На борту инфракрасный приемник
- Размер печатной платы (мм): 40×40
UNO док V2.0
- Arduino совместимый
- 12 В вход питания на 5 В/2A выход
- Встроенный USB в последовательный порт (может быть установлен как последовательный порт Arduino или nanopi Neo/air/neol-2s порт отладки с перемычкой)
- Поддержка bakebit модулей
- 2 X USB Host
- Размер печатной платы: 110.2×53.3 мм
Плата расширения UNO dock на Aliexpress
GPIO

Руководство пользователя и схемы
Исходники
Видео
https://youtu.be/X762pbyWckE



























У этой платы нет видеовхода. Исправьте ошибку.
Спасибо что заметили, поправил.